Comments and Suggestions
 
Last updated: November 26, 1999


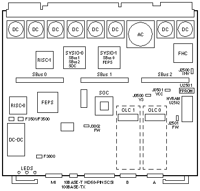
I/O Board

E3000 / E4000 / E5000 / E6000
E3500 / E4500 / E5500 / E6500
Option 2610

501-2977
I/O Type 1
83MHz Gigaplane


Backpanel and Connectors

Jumper Settings

JUMPER PINS SETTING DESCRIPTION FAB 270-2977
J0500 1-2 In Unknown -01 -02 -03
J0501 1-2 Out Unknown -01 -02 -03
J2500 1-2 Out Inv Adr 1 -01 -02 -03 -04 -05
J2501 1-2 In Unknown -01 -02 -03
J2503 1 2 3 * Unknown -01
J3002 1-2
1-2
In
Out
SOC Flash write enabled
SOC Flash write disabled
-01
-01
* J2503 is not illustrated. The default jumper setting is unknown.

Notes

  1. The minimum Ex000 operating system is 2.5.1.
  2. The minimum Ex500 OS is 2.5.1 HW: 11/97 or 2.6 HW: 3/98.
  3. The Gigaplane runs at the speed of the slowest detected board.
  4. The message "status 'fail - Downrev AC'" is displayed when I/O Graphics Board <501-2977-04 is installed. The message indicates that the Address Controller is pre-FCS and lower than revision 4.
  5. The following cable types are supported:
    50/125 Multimode Fiber up to 2 Kilometers
    62.5/125 Multimode Fiber up to 500 meters

FlashPROM Notes

  1. Use the Flash PROM Programming Utility to update the FCode.
  2. Use the prom-copy (src dst) command to copy a flash PROM.
    ok prom-copy 2 b (copies from board 2 to board 11)
  3. Use the update-proms command to synchronize the latest version of the flash PROM installed in the system to all boards of the same type.

NVRAM Notes

  1. The Clock Board and I/O Board NVRAMs are automatically synchronized when the Clock Board NVRAM contents matches at least one I/O Board NVRAM.
  2. Use one of the following OBP commands to synchronize the Clock Board and I/O Board NVRAM:
    ok copy-clock-tod-to-io-boards
    ok copy-io-board-tod-to-clock-tod

References

  1. Ultra Enterprise 3000 System Manual, 802-6051.Internet Link
  2. Ultra Enterprise 4000/5000/6000 System Manual, 802-3845.Internet Link
  3. System Flash PROM Programming Guide, 802-5579.Internet Link


I/O Board

E3000 / E4000 / E5000 / E6000
E3500 / E4500 / E5500 / E6500
Option 2610

501-4287
I/O Type 1
83MHz Gigaplane


Backpanel and Connectors

Jumper Settings

JUMPER PINS SETTING DESCRIPTION FAB 270-2977
J2500 1-2 Out Inv Adr 1 -06

Notes

  1. The minimum Ex000 operating system is 2.5.1.
  2. The minimum Ex500 OS is 2.5.1 HW: 11/97 or 2.6 HW: 3/98.
  3. The Gigaplane runs at the speed of the slowest detected board.
  4. The following cable types are supported:
    50/125 Multimode Fiber up to 2 Kilometers
    62.5/125 Multimode Fiber up to 500 meters

FlashPROM Notes

  1. Use the Flash PROM Programming Utility to update the FCode.
  2. Use the prom-copy (src dst) command to copy a flash PROM.
    ok prom-copy 2 b (copies from board 2 to board 11)
  3. Use the update-proms command to synchronize the latest version of the flash PROM installed in the system to all boards of the same type.

NVRAM Notes

  1. The Clock Board and I/O Board NVRAMs are automatically synchronized when the Clock Board NVRAM contents matches at least one I/O Board NVRAM.
  2. Use one of the following OBP commands to synchronize the Clock Board and I/O Board NVRAM:
    ok copy-clock-tod-to-io-boards
    ok copy-io-board-tod-to-clock-tod

References

  1. Ultra Enterprise 3000 System Manual, 802-6051.Internet Link
  2. Ultra Enterprise 4000/5000/6000 System Manual, 802-3845.Internet Link
  3. System Flash PROM Programming Guide, 802-5579.Internet Link


© 1987-2000, Sun Microsystems Inc.