Comments and Suggestions
   
Last updated: November 26, 1999


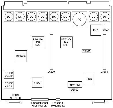
PCI I/O Board

E3000 / E4000 / E5000 / E6000
E3500 / E4500 / E5500 / E6500
Option 2630

501-3023 501-4325
I/O Type 3
83MHz Gigaplane
I/O Type 3 FRU
w 2x 5V Risers


Backpanel and Connectors

Jumper Settings

JUMPER PINS SETTING DESCRIPTION
J2500 1-2 Out Inv Adr 1

Notes

  1. The minimum Ex000 operating system is 2.5.1.
  2. The minimum Ex500 OS is 2.5.1 HW: 11/97 or 2.6 HW: 3/98.
  3. The Gigaplane runs at the speed of the slowest detected board.
  4. The E3000-E6000 CPU/Memory Board requires OBP 3.2 Version 8.
  5. Patch 103346-06Internet Link includes OBP 3.2 Version 8.
  6. Option 2630 includes two 5V Riser Boards and two 3.3V Riser Boards.
  7. Up to three PCI I/O Boards are supported in the E3x00.
  8. Up to six PCI I/O Boards are supported in the E4x00, E5x00, and E6x00.
  9. The following cable types are supported:
    50/125 Multimode Fiber up to 2 Kilometers
    62.5/125 Multimode Fiber up to 500 meters

FlashPROM Notes

  1. Use the Flash PROM Programming Utility to update the FCode.
  2. Use the prom-copy (src dst) command to copy a flash PROM.
    ok prom-copy 2 b (copies from board 2 to board 11)
  3. Use the update-proms command to synchronize the latest version of the flash PROM installed in the system to all boards of the same type.

NVRAM Notes

  1. The Clock Board and I/O Board NVRAMs are automatically synchronized when the Clock Board NVRAM contents matches at least one I/O Board NVRAM.
  2. Use one of the following OBP commands to synchronize the Clock Board and I/O Board NVRAM:
    ok copy-clock-tod-to-io-boards
    ok copy-io-board-tod-to-clock-tod

ISP1040 Ultra SCSI Controller Notes

  1. The ISP 1040 is an Ultra SCSI controller.
  2. Ultra SCSI transfer rates are not supported as of 6/98.
  3. Disable Ultra SCSI transfers to the onboard SCSI controller.
  4. Refer to PCI I/O Product Note, 805-3364-10Internet Link of September 1997.

References

  1. PCI I/O Board Installation, 805-1372.Internet Link
  2. Ultra Enterprise 3000 System Manual, 802-6051.Internet Link
  3. Ultra Enterprise 4000/5000/6000 System Manual, 802-3845.Internet Link
  4. System Flash PROM Programming Guide, 802-5579.Internet Link



PCI I/O Board

E3000 / E4000 / E5000 / E6000
E3500 / E4500 / E5500 / E6500
Option 2632

501-4881 501-4926
I/O Type 3
83/90/100MHz Gigaplane
I/O Type 3 FRU
w 2x 5V Risers


Backpanel and Connectors

Jumper Settings

JUMPER PINS SETTING DESCRIPTION
J2500 1-2 Out Inv Adr 1

Notes

  1. The minimum Ex000 operating system is 2.5.1.
  2. The minimum Ex500 OS is 2.5.1 HW: 11/97 or 2.6 HW: 3/98.
  3. The Gigaplane runs at the speed of the slowest detected board.
  4. Option 2632 includes two 5V Riser Boards and two 3.3V Riser Boards.
  5. Up to three PCI I/O Boards are supported in the E3x00.
  6. Up to six PCI I/O Boards are supported in the E4x00, E5x00, and E6x00.
  7. The following cable types are supported:
    50/125 Multimode Fiber up to 2 Kilometers
    62.5/125 Multimode Fiber up to 500 meters

FlashPROM Notes

  1. Use the Flash PROM Programming Utility to update the FCode.
  2. Use the prom-copy (src dst) command to copy a flash PROM.
    ok prom-copy 2 b (copies from board 2 to board 11)
  3. Use the update-proms command to synchronize the latest version of the flash PROM installed in the system to all boards of the same type.

NVRAM Notes

  1. The Clock Board and I/O Board NVRAMs are automatically synchronized when the Clock Board NVRAM contents matches at least one I/O Board NVRAM.
  2. Use one of the following OBP commands to synchronize the Clock Board and I/O Board NVRAM:
    ok copy-clock-tod-to-io-boards
    ok copy-io-board-tod-to-clock-tod

ISP1040 Ultra SCSI Controller Notes

  1. The ISP 1040 is an Ultra SCSI controller.
  2. Ultra SCSI transfer rates are not supported as of 6/98.
  3. Disable Ultra SCSI transfers to the onboard SCSI controller.
  4. Refer to PCI I/O Product Note, 805-3364-10Internet Link of September 1997.

References

  1. PCI I/O Board Installation, 805-1372.Internet Link
  2. Enterprise 3500 System Reference Manual, 805-2630.Internet Link
  3. Enterprise 4500/5500/6500 System Reference Manual, 805-2632.Internet Link
  4. System Flash PROM Programming Guide, 802-5579.Internet Link


© 1987-2000, Sun Microsystems Inc.