Comments and Suggestions
   
Last updated: November 26, 1999


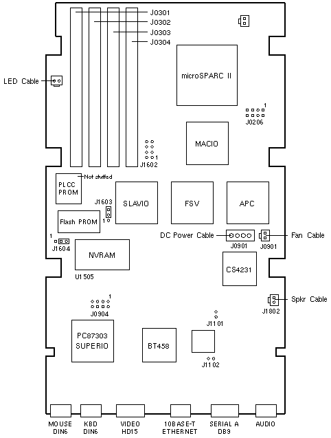
JavaStation

JJ-8 / JJ-16 / JJ-32 / JJ-40 / JJ-64

501-3141
0MB

Jumper Settings

JUMPER PINS SETTING DESCRIPTION
J0206 1-8 Out JTAG
J0904 1-2
3-4
5-6
7-8
Out
Out
Out
Out
Manufacturing test
Not implemented
Not implemented
Not implemented
J1101 1-2 Out*
In
TPE squelch
Reduced squelch threshold
J1102 1-2 Out*
In
100 Ohm TPE termination
150 Ohm TPE termination
J1602 1-8 Out Manufacturing test
J1603 1-2
2-3
Out
In*
PROM select
Flash select
J1604 1-2
2-3
Out
In*
FPROM write disable
FPROM write enable
* Default settings


© 1987-2000, Sun Microsystems Inc.